Boshart Industries RVNB05-075NL Non-Adjustable Standard Relief Valve, 1/2 in Nominal, MNPT x FNPT End Style, 75 psi Pressure, Brass Body

Item SKU - RVNB05-075NL by Boshart (EDP 1029161)

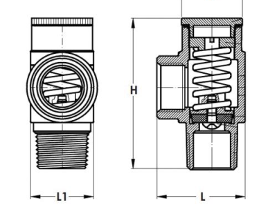
Product Images
Stock / Price Information
Please Login for Pricing

Product Description

Boshart Industries relief valves are recommended for all cold water system installations to protect against damage to piping and pressure tanks. Field adjustments are not recommended for these relief valves. Any changes made to the pre-set pressure is entirely at the risk of the person(s)/company who make the adjustment. Relief valves must be installed so that they drain to a floor drain, sump or other safe location with an air break. If an outlet pipe is used then it must be at least the same diameter as the relief valve outlet. Boshart Industries Relief Valve, Lead-Free Non-Adjustable Standard, 1/2 in Nominal, MNPT x FNPT End Style, 75 psi Pressure, 140 deg F, Media: Water, 2.45 in Inlet to Outlet Length, Brass Body, Stainless Steel Trim, Buna-N Sealing Disc Softgoods, 1.01 in L x 1.5 in W x 2.48 in H Dimensions

Documentation

Specifications

These specifications are subject to change by the manufacturer, and are only approximate. For precise specifications, please call our inside sales department at 860-221-SALE (860-221-7253).

Application
Well Tank
Max PSI
75
No Lead
Yes

Related Products